BOYAR-SCHULTZ SMT
Division of Lester Detterbeck Enterprises Ltd.
Copyright © 2016 BOYAR-SCHULTZ SMT, a division of Lester Detterbeck Enterprises, LTD.  All Rights Reserved.

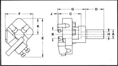
Box Tools - Model T

These rigid tools are designed to take a medium to heavy cut where a single pass cut is feasible, but not to exceed one-quarter of the stock diameter. The tool holder has two-axis adjustment, permitting proper orientation of tool bit to the workpiece, and ample space is provided for chip clearance and coolant flow.  Individually adjustable rollers provide support, assure proper spindle-turret alignment, are set off-center away from each other to permit turning small diameters, and produce a burnished finish. Changing roller blocks: Upper and lower roller blocks are not interchangeable. Changing rollers: Rollers taper to a smaller diameter at the back. Note carefully in mounting. Extra-high roller blocks are available to provide support on the unturned diameter of the workpiece. Carbide rollers and pins are available for extended wear.
Model 000RT   **** 00RT ***** 0RT 2RT 3RT 4RT  ***** Std. Ordering Number 5700 5040 5140 5240 5350 5300 With Extended Rollers 113356 113357 113358 113359 Dimensions Turning Capacity 3/32 to 3/8 3/32 to 3/8 3/16 to 5/8 1/4 to 7/8 5/16 to 1-1/4 5/16 to 1-1/4 A 5/8 5/8 3/4 1 1-1/4 1-1/2 B 7/16 7/16 3/4 1 1-5/16 1-5/16 C 1-1/4 1-5/16 1-11/16 2-7/16 3-1/4 3-1/4 D 1-3/8 1-3/8 1-1/2 2 4 4 E 2-5/16 2-13/16 3-3/4 4-5/16 5-7/16 5-7/16 F 1-5/8 1-11/16 2-11/16 3-1/16 4-1/16 4-1/16 G 1-1/2 1-1/2 2-1/8 3-1/16 3-7/8 3-7/8 H 3/8 3/8 3/8 9/16 7/8 7/8 J 3/32 3/32 3/32 3/32 1/8 1/8 K 15/16 1-3/16 1-5/8 1-3/4 2-1/4 2-1/4 Tool Bit Size (Sq.)¥ 1/4 1/4 3/8 1/2 1/2 1/2 Replacement parts Body 5701 5046 5146 5246 5351 51503 Tool Bit Holder 5702A 5002A 5102A 5202 5302 5302 Roller Block Assy., Right** 5707 5067 5167 5267 5307 5307 Roller Block Assy., Left** 5708 5068 5168 5268 5308 5308 Block Locking Screw (2 Reqd.) 5719 5049 5149 5249 5319 5319 Block Locking Nut (2 Reqd.) 6232 6232 6332 6332 6483 6483 Adjustment Screw (3 Reqd.) 5734 7406 5134 5234 5334 5334 Holder Lock Screw 5035 5035 5135 5235 5335 5335 Lock Screw Washer 5743 5043 5143 5243 5343 5343 Tool Bit 5045 5045 5145 5245 5245 5245 Tool Bit Lock Screw (2 Reqd.) 5737 5037 5137 5237 5337 5337 Tool Bit Lock Screw 5336 5336 Tool Bit Set Screw 1210 1210 Bushing Lock Screw 6236 5044 6344 5244 5344 5344 Roller and Pin Assy.* 105162 105163 105164 105165 105166 105166                                                               Optional Parts Roller Block Assy., Right Ex. High 5709 5069 5169 5269 5309 5309 Roller Block assy., Left Ex. High 5710 5070 5170 5270 5310 5310 Carbide Roller 5720C 5020C 5120C 5220C 5320C 5320C Carbide Roller Pin 5725C 5025C 5125C 5225C 5325C 5325C Spare Parts Kit*** 113049 113050 113051 113052 113053 113053 *Included in Roller Block Assy. See Tooling Components for complete list of parts. **Roller Block Assy. consists of Roller Block, Roller, Roller Pin and Lock screw. See Tooling Components for complete list of parts. ***Includes 2 Roller and Pin Assemblies, 1 Tool Bit, 2 Adjustments Screws, 2 Tool bit Lock Screw. **** Non-Ground Tool supplied. For more information on grinding tool bit see Single Function Tools/Accessories. *****NOTE: Min. Turning diameter is .130" when rollers are on finish diameter 3/32" diameter with rollers on the stock diameter of .130" plus. *****4RT tools are made to order and are not stocked.
BOYAR-SCHULTZ SMT
Division of Lester Detterbeck Enterprises Ltd.
Copyright © 2016 BOYAR-SCHULTZ SMT, a division of Lester Detterbeck Enterprises, LTD Website by North Country Website Design_

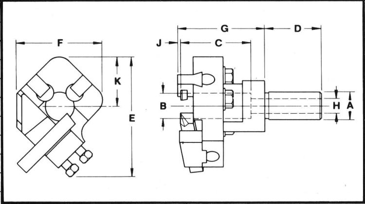
Box Tools - Model T

These rigid tools are designed to take a medium to heavy cut where a single pass cut is feasible, but not to exceed one-quarter of the stock diameter. The tool holder has two-axis adjustment, permitting proper orientation of tool bit to the workpiece, and ample space is provided for chip clearance and coolant flow.  Individually adjustable rollers provide support, assure proper spindle-turret alignment, are set off-center away from each other to permit turning small diameters, and produce a burnished finish. Changing roller blocks: Upper and lower roller blocks are not interchangeable. Changing rollers: Rollers taper to a smaller diameter at the back. Note carefully in mounting. Extra-high roller blocks are available to provide support on the unturned diameter of the workpiece. Carbide rollers and pins are available for extended wear.
Model 000RT **** 00RT ***** 0RT 2RT 3RT 4RT ***** Std. Ordering Number 5700 5040 5140 5240 5350 5300 With Extended Rollers 113356 113357 113358 113359 Dimensions Turning Capacity 3/32 to 3/8 3/32 to 3/8 3/16 to 5/8 1/4 to 7/8 5/16 to 1-1/4 5/16 to 1-1/4 A 5/8 5/8 3/4 1 1-1/4 1-1/2 B 7/16 7/16 3/4 1 1-5/16 1-5/16 C 1-1/4 1-5/16 1-11/16 2-7/16 3-1/4 3-1/4 D 1-3/8 1-3/8 1-1/2 2 4 4 E 2-5/16 2-13/16 3-3/4 4-5/16 5-7/16 5-7/16 F 1-5/8 1-11/16 2-11/16 3-1/16 4-1/16 4-1/16 G 1-1/2 1-1/2 2-1/8 3-1/16 3-7/8 3-7/8 H 3/8 3/8 3/8 9/16 7/8 7/8 J 3/32 3/32 3/32 3/32 1/8 1/8 K 15/16 1-3/16 1-5/8 1-3/4 2-1/4 2-1/4 Tool Bit Size (Sq.)¥ 1/4 1/4 3/8 1/2 1/2 1/2 Replacement parts Body 5701 5046 5146 5246 5351 51503 Tool Bit Holder 5702A 5002A 5102A 5202 5302 5302 Roller Block Assy., Right** 5707 5067 5167 5267 5307 5307 Roller Block Assy., Left** 5708 5068 5168 5268 5308 5308 Block Locking Screw (2 Reqd.) 5719 5049 5149 5249 5319 5319 Block Locking Nut (2 Reqd.) 6232 6232 6332 6332 6483 6483 Adjustment Screw (3 Reqd.) 5734 7406 5134 5234 5334 5334 Holder Lock Screw 5035 5035 5135 5235 5335 5335 Lock Screw Washer 5743 5043 5143 5243 5343 5343 Tool Bit 5045 5045 5145 5245 5245 5245 Tool Bit Lock Screw (2 Reqd.) 5737 5037 5137 5237 5337 5337 Tool Bit Lock Screw 5336 5336 Tool Bit Set Screw 1210 1210 Bushing Lock Screw 6236 5044 6344 5244 5344 5344 Roller and Pin Assy.* 105162 105163 105164 105165 105166 105166                                                               Optional Parts Roller Block Assy., Right Ex. High 5709 5069 5169 5269 5309 5309 Roller Block assy., Left Ex. High 5710 5070 5170 5270 5310 5310 Carbide Roller 5720C 5020C 5120C 5220C 5320C 5320C Carbide Roller Pin 5725C 5025C 5125C 5225C 5325C 5325C Spare Parts Kit*** 113049 113050 113051 113052 113053 113053 *Included in Roller Block Assy. See Tooling Components for complete list of parts. **Roller Block Assy. consists of Roller Block, Roller, Roller Pin and Lock screw. See Tooling Components for complete list of parts. ***Includes 2 Roller and Pin Assemblies, 1 Tool Bit, 2 Adjustments Screws, 2 Tool bit Lock Screw. **** Non-Ground Tool supplied. For more information on grinding tool bit see Single Function Tools/Accessories. *****NOTE: Min. Turning diameter is .130" when rollers are on finish diameter 3/32" diameter with rollers on the stock diameter of .130" plus. *****4RT tools are made to order and are not stocked.