BOYAR-SCHULTZ SMT
Division of Lester Detterbeck Enterprises Ltd.
Copyright © 2016 BOYAR-SCHULTZ SMT, a division of Lester Detterbeck Enterprises, LTD.  All Rights Reserved.

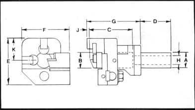
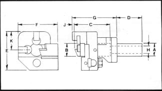
Box Tools - Model TC-R

The carbide insert box tool is equipped with a special self-releasing mechanism that moves away from the stock at the same time the turret pulls away from the workpiece. With this new machining innovation, you can eliminate scroll marks caused by cutter drag. Scrolling occurs when the cutter leaves the workpiece on standard carbide insert box tools. Not with the new TC-R box tool. Carbide insert box tools are used in the turrets of screw machines and turret lathes for taking extra heavy, rapid cuts in workpieces. By using triangular carbide throw-away inserts, you get higher production per cutting edge, and you remove 30% to 50% more stock than with conventional cutters. You can change from one edge to another in less than a minute Center line is maintained when replacing insert. Chips are controlled for any speed or feed rate or material by a patented chip breaker. Extra-high roller blocks are available to provide support on an unfinished diameter of a workpiece. Carbide rollers and pins are available for extended wear. Standard carbide inserts have 1/64" radius on corners; insert with 1/32" radius are available and must be used with rollers that have a 1/64" chamfer.
Model OOTC-R OTC-R 2TC-R 3TC-R Std. Ordering Number 113274 113284 113294 113304 With Extended Rollers 113385 113386 113387 113389 Dimensions Turning Capacity .09-.38*** .18-.63 .25-.88 .31-1.25 A 5/8 3/4 1 1-1/2 B 7/16 3/4 1 1-5/16 C 1-1/2 2-1/16 2-9/16 3-3/8 D 1-3/8 1-1/2 2 4 E 2-1/8 2-3/4 3-1/8 3-11/16 F 1-15/16 2-3/4 3-1/4 4 G 1-11/16 2-3/8 3-3/16 4 H 3/8 3/8 9/16 7/8 J 3/32 3/32 3/32 1/8 K 15/16 1-1/4 1-17/32 1-3/4 Replacement Parts Body 51203 51303 51403 51503 Insert Holder 113286 113286 113296 113296 Key Holder 51205 51305 51405 51506 Tool Holder 113275 113285 113295 113305 Bushing Lock Screw 5044 6344 5344 5344 Key Lock Screw 51208 51308 51408 51508 Stop Pin 113282 113282 113282 113282 Stop Adjustment Screw 3667 3667 3667 3667 Spring Plunger Screw 113290 113290 113300 113300 Centering Screw 51213 51313 51413 51513 Holder Clamp Screw 113281 113291 113301 113311 Pivot Screw 113277 113277 113297 113297 Holder End Key Lock Screw 51214 51314 51314 51514 Insert Locking Screw 113223 113223 113224 113224 Carbide Insert** 113272 113272 113230 113230 Roller Block Assy., Left 113354 51328 51427 51501 Roller Block Assy., Right 113355 51327 51428 51502 Key Washer 5043 5143 5243 5343 Pivot Washer 113278 113278 113298 113298 Block Lock Screw (2 Reqd.) 5049 5149 5249 5319 Block Lock Screw, Right 51212 Block Lock Nut (2 Reqd.) 6232 6332 6332 6483 Adjusting Screw (3 Reqd.) 7406 5134 5234 5334 Insert Lock Wrench (Not Shown) 113225 113225 113226 113226 Optional Parts Roller* 5020 5120 5220 5320 Roller, 1/64 Chamfer 51220 51320 51420 51520 Carbide Roller, 1/64 Chamfer 51220C 51320C 51420C 51520C Carbide Roller (Std) 5020C 5120C 5220C 5320C Roller Pin 5025 5125 5225 5325 Carbide Roller Pin* 5025C 5125C 5225C 5325C Roller Block, Left Ex. High* 113368 113372 113378 51527 Roller Block, Right Ex. High* 113369 113373 113379 51528 Roller Block Lock Screw* 5039 5039 5039 5339 For Inserts see Tooling Components *Included in Roller Block Assembly. See Tooling Components for complete    list of parts. **Included in Main Assembly. ***Minimum turning diameter is .130" when roller are on finish diameter        and .090" diameter when rollers are on stock diameter of .130"+. NOTE: Roller Blocks shown are not for rolling ahead of insert.
BOYAR-SCHULTZ SMT
Division of Lester Detterbeck Enterprises Ltd.
Copyright © 2016 BOYAR-SCHULTZ SMT, a division of Lester Detterbeck Enterprises, LTD Website by North Country Website Design_

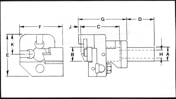
Box Tools - Model TC-R

The carbide insert box tool is equipped with a special self-releasing mechanism that moves away from the stock at the same time the turret pulls away from the workpiece. With this new machining innovation, you can eliminate scroll marks caused by cutter drag. Scrolling occurs when the cutter leaves the workpiece on standard carbide insert box tools. Not with the new TC-R box tool. Carbide insert box tools are used in the turrets of screw machines and turret lathes for taking extra heavy, rapid cuts in workpieces. By using triangular carbide throw-away inserts, you get higher production per cutting edge, and you remove 30% to 50% more stock than with conventional cutters. You can change from one edge to another in less than a minute Center line is maintained when replacing insert. Chips are controlled for any speed or feed rate or material by a patented chip breaker. Extra-high roller blocks are available to provide support on an unfinished diameter of a workpiece. Carbide rollers and pins are available for extended wear. Standard carbide inserts have 1/64" radius on corners; insert with 1/32" radius are available and must be used with rollers that have a 1/64" chamfer.
Model OOTC-R OTC-R 2TC-R 3TC-R Std. Ordering Number 113274 113284 113294 113304 With Extended Rollers 113385 113386 113387 113389 Dimensions Turning Capacity .09-.38*** .18-.63 .25-.88 .31-1.25 A 5/8 3/4 1 1-1/2 B 7/16 3/4 1 1-5/16 C 1-1/2 2-1/16 2-9/16 3-3/8 D 1-3/8 1-1/2 2 4 E 2-1/8 2-3/4 3-1/8 3-11/16 F 1-15/16 2-3/4 3-1/4 4 G 1-11/16 2-3/8 3-3/16 4 H 3/8 3/8 9/16 7/8 J 3/32 3/32 3/32 1/8 K 15/16 1-1/4 1-17/32 1-3/4 Replacement Parts Body 51203 51303 51403 51503 Insert Holder 113286 113286 113296 113296 Key Holder 51205 51305 51405 51506 Tool Holder 113275 113285 113295 113305 Bushing Lock Screw 5044 6344 5344 5344 Key Lock Screw 51208 51308 51408 51508 Stop Pin 113282 113282 113282 113282 Stop Adjustment Screw 3667 3667 3667 3667 Spring Plunger Screw 113290 113290 113300 113300 Centering Screw 51213 51313 51413 51513 Holder Clamp Screw 113281 113291 113301 113311 Pivot Screw 113277 113277 113297 113297 Holder End Key Lock Screw 51214 51314 51314 51514 Insert Locking Screw 113223 113223 113224 113224 Carbide Insert** 113272 113272 113230 113230 Roller Block Assy., Left 113354 51328 51427 51501 Roller Block Assy., Right 113355 51327 51428 51502 Key Washer 5043 5143 5243 5343 Pivot Washer 113278 113278 113298 113298 Block Lock Screw (2 Reqd.) 5049 5149 5249 5319 Block Lock Screw, Right 51212 Block Lock Nut (2 Reqd.) 6232 6332 6332 6483 Adjusting Screw (3 Reqd.) 7406 5134 5234 5334 Insert Lock Wrench (Not Shown) 113225 113225 113226 113226 Optional Parts Roller* 5020 5120 5220 5320 Roller, 1/64 Chamfer 51220 51320 51420 51520 Carbide Roller, 1/64 Chamfer 51220C 51320C 51420C 51520C Carbide Roller (Std) 5020C 5120C 5220C 5320C Roller Pin 5025 5125 5225 5325 Carbide Roller Pin* 5025C 5125C 5225C 5325C Roller Block, Left Ex. High* 113368 113372 113378 51527 Roller Block, Right Ex. High* 113369 113373 113379 51528 Roller Block Lock Screw* 5039 5039 5039 5339 For Inserts see Tooling Components *Included in Roller Block Assembly. See Tooling Components for complete    list of parts. **Included in Main Assembly. ***Minimum turning diameter is .130" when roller are on finish diameter        and .090" diameter when rollers are on stock diameter of .130"+. NOTE: Roller Blocks shown are not for rolling ahead of insert.