BOYAR-SCHULTZ SMT
Division of Lester Detterbeck Enterprises Ltd.
Copyright © 2016 BOYAR-SCHULTZ SMT, a division of Lester Detterbeck Enterprises, LTD.  All Rights Reserved.

Burnishing and Knurling Tool - Model C   Model 3KN   Model 3RR

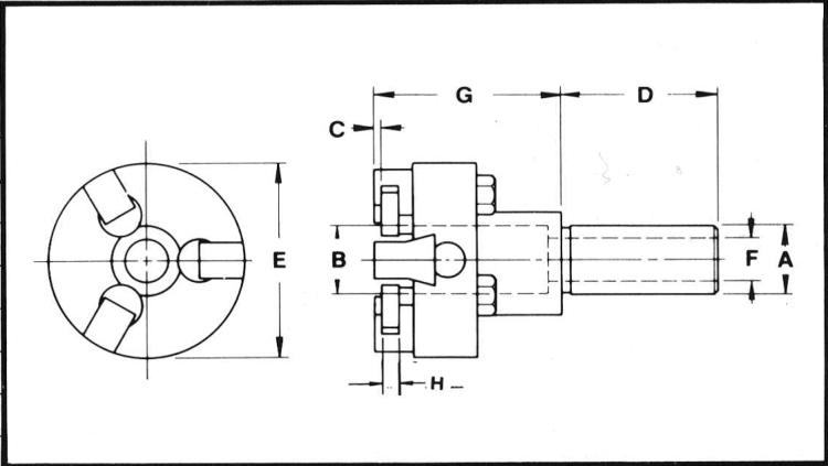
An ideal tool for use where a surface smoother than the usual machined finish is required. It is a rugged burnishing tool, easy to eliminate an extra operation. Hardened adjustable rollers* exert pressure on the work surface to smooth out fine lines left by the turning tool. Diameter reductions are minimal and depend upon material, work diameter, and surface condition.  Stainless steel          .0004 to .0006  Cold drawn steel     .0006 to .0008  Bronze                      .0007 to .0009   This tool can also be used for knurling by replacing the burnishing rollers and with knurling block assemblies. *Rollers taper to a smaller diameter toward the shank end.
Model OOC OC 2C OO-3KN O-3KN 2-3KN Ordering Number 7400 7425 7450 113346 113347 113348 Dimensions Diameter 1/16 to 3/8 3/32 to 9/32 1/8 to 15/16 1/16 to 3/8 3/32 to 19/32 1/8 to 15/16 Length 1-7/32 1-19/32 2-15/16 1-7/32 1-19/32 2-15/32 A 5/8 3/4 1 5/8 3/4 1 B 7/16 5/8 1 7/16 5/8 1 C 3/32 3/32 3/32 3/32 3/32 3/32 D 1-1/2 2-5/16 2-5/16 1-1/2 2-5/16 2-5/16 E 1-11/16 2-1/2 2-7/8 1-11/16 2-1/2 2-7/8 F 5/16 1/2 5/8 5/16 1/2 5/8 G 1-7/16 1-7/8 2-3/4 1-7/16 1-7/8 2-3/4 H 3/16 1/4 1/4 3/16 1/4 1/4 Roller Diameter 5/16 1/2 5/8 1/2 5/8 5/8 Replacement Parts Body 7401 7426 7451 7401 7426 7451 Block Lock Screw (3 Reqd.) 7404 7429 7454 7404 7429 7454 Block Lock Nut (3 Reqd.) 6232 6332 6332 6232 6332 6332 Block Adjustment Screw (3 Reqd.) 7406 7431 7456 7406 7431 7456 Lock Screw (3 Reqd.) 7407 5039 5039 7407 5039 5039 Tightening Screw 7408 7408 6444 7408 7408 6444 Roller Block Screw 7409 5039 5039 7409 5039 5039 Parts for Burnishing Parts for Knurling Roller Block Screw 7402 7427 7452 7412 7437 7452 Roller 5020 5120 5220 Roller Pin 5025 5125 5225 7415 5125 5225 Straight Knurl 7818 7868 7868 (35TPI) (29TPI) (29TPI) Roller Block Assembly** Roller Pin Assembly** Burnishing Tool* 7410 7435 7460 105163 105164 105165 Knurling Tool* 113334 113335 113336 113337 113338 113339 Roller Rest* 113340 113341 113342 113343 113344 113345 *3 Req'd. for each tool. **See Tooling Components for complete list of assembly parts.
BOYAR-SCHULTZ SMT
Division of Lester Detterbeck Enterprises Ltd.
Copyright © 2016 BOYAR-SCHULTZ SMT, a division of Lester Detterbeck Enterprises, LTD Website by North Country Website Design_

Burnishing and Knurling Tool -

Model C   Model 3KN   Model 3RR

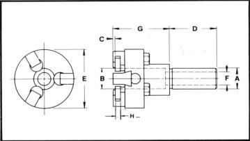
An ideal tool for use where a surface smoother than the usual machined finish is required. It is a rugged burnishing tool, easy to eliminate an extra operation. Hardened adjustable rollers* exert pressure on the work surface to smooth out fine lines left by the turning tool. Diameter reductions are minimal and depend upon material, work diameter, and surface condition.  Stainless steel          .0004 to .0006  Cold drawn steel     .0006 to .0008  Bronze                      .0007 to .0009   This tool can also be used for knurling by replacing the burnishing rollers and with knurling block assemblies. *Rollers taper to a smaller diameter toward the shank end.
Model OOC OC 2C OO-3KN O-3KN 2-3KN Ordering Number 7400 7425 7450 113346 113347 113348 Dimensions Diameter 1/16 to 3/8 3/32 to 9/32 1/8 to 15/16 1/16 to 3/8 3/32 to 19/32 1/8 to 15/16 Length 1-7/32 1-19/32 2-15/16 1-7/32 1-19/32 2-15/32 A 5/8 3/4 1 5/8 3/4 1 B 7/16 5/8 1 7/16 5/8 1 C 3/32 3/32 3/32 3/32 3/32 3/32 D 1-1/2 2-5/16 2-5/16 1-1/2 2-5/16 2-5/16 E 1-11/16 2-1/2 2-7/8 1-11/16 2-1/2 2-7/8 F 5/16 1/2 5/8 5/16 1/2 5/8 G 1-7/16 1-7/8 2-3/4 1-7/16 1-7/8 2-3/4 H 3/16 1/4 1/4 3/16 1/4 1/4 Roller Diameter 5/16 1/2 5/8 1/2 5/8 5/8 Replacement Parts Body 7401 7426 7451 7401 7426 7451 Block Lock Screw (3 Reqd.) 7404 7429 7454 7404 7429 7454 Block Lock Nut (3 Reqd.) 6232 6332 6332 6232 6332 6332 Block Adjustment Screw (3 Reqd.) 7406 7431 7456 7406 7431 7456 Lock Screw (3 Reqd.) 7407 5039 5039 7407 5039 5039 Tightening Screw 7408 7408 6444 7408 7408 6444 Roller Block Screw 7409 5039 5039 7409 5039 5039 Parts for Burnishing Parts for Knurling Roller Block Screw 7402 7427 7452 7412 7437 7452 Roller 5020 5120 5220 Roller Pin 5025 5125 5225 7415 5125 5225 Straight Knurl 7818 7868 7868 (35TPI) (29TPI) (29TPI) Roller Block Assembly** Roller Pin Assembly** Burnishing Tool* 7410 7435 7460 105163 105164 105165 Knurling Tool* 113334 113335 113336 113337 113338 113339 Roller Rest* 113340 113341 113342 113343 113344 113345 *3 Req'd. for each tool. **See Tooling Components for complete list of assembly parts.