BOYAR-SCHULTZ SMT
Division of Lester Detterbeck Enterprises Ltd.
Copyright © 2016 BOYAR-SCHULTZ SMT, a division of Lester Detterbeck Enterprises, LTD.  All Rights Reserved.

Swing Tool - Model K

A knurling tool designed to operate from the screw machine turret. The knurling

action is developed from the front cross slide working against the lever arm of the tool, moving

both knurling arms from open position to the correct knurled diameter.

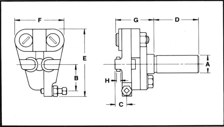
The design of this tool makes place knurling at various lengths possible. Knurling between and behind shoulders of small pieces is accomplished with Model K Knurling Tool with no bending or distortion. Adjustable lever mounting plate compensates for any misalignment between turret and work. Capacity:      Model 00K from 3/64" to 3/8" maximum      Model 0K from 3/16" to 5/8" maximum      Model 2K from 1/4" to 7/8" maximum Made of high quality materials and to the high standards of workmanship of Boyar-Schultz. All parts are hardened and ground. Models K Knurling Tool is a time saver in any screw machine shop.
Model OO K O K 2 K Ordering Number 7800 7850 7900 Dimensions Capacity 3/8" max. dia. - 15/16" max.  5/8" max. dia.-23/32"  7/8" max. dia. - 25/32" length stock diameter - 5/16"  max. length - stock dia.  max. length - stock dia. and under stock can be fed 3/8" and under stock can be  5/8" and under stock can be   thru shank of tool. fed thru shank of tool.  fed thru shank of tool. A 5/8 3/4 1 B 15/16 1-3/8 1-1/2 C 7/16 5/8 11/16 D 1-11/16 2-1/16 2-5/8 E 2-7/16 3-5/16 3-13/16 F 1-11/16 2-1/4 2-3/4 G 1-9/16 2 2-3/16 H 3/16 1/4 1/4 Knurl Diameter 1/2 5/8 3/4 Replacement Parts Body 7801 7851 7901 Knurling Lever 7824 7874 7904 Actuating Lever 7823 7873 7903 Mounting Plate 7802 7852 7902 Cover Plate 7805 7855 7905 Lever Stud (2 Reqd.) 7806 7856 7906 Stud Lock Nut (2 Reqd.) 6332 6383 7920 Swing Adjustment Screw 7815 7815 7915 Swing Screw Lock Nut 6232 6232 6332 Return Spring 7810 7860 7910 Spring Plug (2 Reqd.) 7809 7859 7909 Stop Pin (2 Reqd.) 7812 7862 7912 Centering Screw) 7821 7871 7921 Centering Screw Washer 7820 7870 7922 Lever Adjustment Pin 7812 7862 7911 Lever Adjustment Screw 5039 7863 7913 Adjustment Screw Nut 7819 7869 7869 Pivot Screw 7817 7867 7917 Straight Knurl (2 Reqd.) Standard* 7818 (35 TPI) 7868 (29 TPI) 7918 (25 TPI) Knurl Roller Pin (2 Reqd.) 7808 7858 7908 Pin Lock Screw (2 Reqd.) 7814 7814 6234 Bushing Lock Screw 637084 5044 6344 Optional Parts Carbide Roller Pin 7808C 7858C 7908C Long Roller Pin 7808B 7858B 7908B *Special Knurls Available (Quoted)
BOYAR-SCHULTZ SMT
Division of Lester Detterbeck Enterprises Ltd.
Copyright © 2016 BOYAR-SCHULTZ SMT, a division of Lester Detterbeck Enterprises, LTD Website by North Country Website Design_

Swing Tool - Model K

A knurling tool designed to operate

from the screw machine turret. The

knurling action is developed from the front

cross slide working against the lever arm of the

tool, moving both knurling arms from open

position to the correct knurled diameter.

The design of this tool makes place knurling at various lengths possible. Knurling between and behind shoulders of small pieces is accomplished with Model K Knurling Tool with no bending or distortion. Adjustable lever mounting plate compensates for any misalignment between turret and work. Capacity:      Model 00K from 3/64" to 3/8" maximum      Model 0K from 3/16" to 5/8" maximum      Model 2K from 1/4" to 7/8" maximum Made of high quality materials and to the high standards of workmanship of Boyar-Schultz. All parts are hardened and ground. Models K Knurling Tool is a time saver in any screw machine shop.
Model OO K O K 2 K Ordering Number 7800 7850 7900 Dimensions Capacity 3/8" max. dia. - 15/16" max.  5/8" max. dia.-23/32"  7/8" max. dia. - 25/32" length stock diameter - 5/16"  max. length - stock dia.  max. length - stock dia. and under stock can be fed 3/8" and under stock can be  5/8" and under stock can be   thru shank of tool. fed thru shank of tool.  fed thru shank of tool. A 5/8 3/4 1 B 15/16 1-3/8 1-1/2 C 7/16 5/8 11/16 D 1-11/16 2-1/16 2-5/8 E 2-7/16 3-5/16 3-13/16 F 1-11/16 2-1/4 2-3/4 G 1-9/16 2 2-3/16 H 3/16 1/4 1/4 Knurl Diameter 1/2 5/8 3/4 Replacement Parts Body 7801 7851 7901 Knurling Lever 7824 7874 7904 Actuating Lever 7823 7873 7903 Mounting Plate 7802 7852 7902 Cover Plate 7805 7855 7905 Lever Stud (2 Reqd.) 7806 7856 7906 Stud Lock Nut (2 Reqd.) 6332 6383 7920 Swing Adjustment Screw 7815 7815 7915 Swing Screw Lock Nut 6232 6232 6332 Return Spring 7810 7860 7910 Spring Plug (2 Reqd.) 7809 7859 7909 Stop Pin (2 Reqd.) 7812 7862 7912 Centering Screw) 7821 7871 7921 Centering Screw Washer 7820 7870 7922 Lever Adjustment Pin 7812 7862 7911 Lever Adjustment Screw 5039 7863 7913 Adjustment Screw Nut 7819 7869 7869 Pivot Screw 7817 7867 7917 Straight Knurl (2 Reqd.) Standard* 7818 (35 TPI) 7868 (29 TPI) 7918 (25 TPI) Knurl Roller Pin (2 Reqd.) 7808 7858 7908 Pin Lock Screw (2 Reqd.) 7814 7814 6234 Bushing Lock Screw 637084 5044 6344 Optional Parts Carbide Roller Pin 7808C 7858C 7908C Long Roller Pin 7808B 7858B 7908B *Special Knurls Available (Quoted)