BOYAR-SCHULTZ SMT
Division of Lester Detterbeck Enterprises Ltd.
Copyright © 2016 BOYAR-SCHULTZ SMT, a division of Lester Detterbeck Enterprises, LTD.  All Rights Reserved.

Knurling Tools - Model SK

Cross Slide

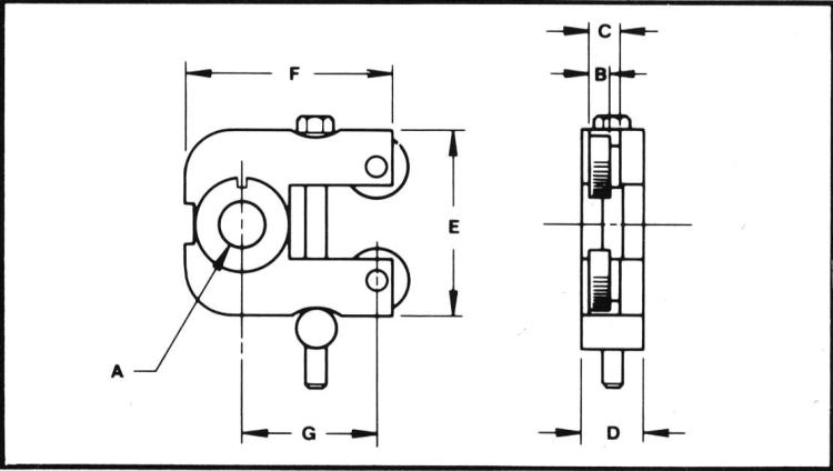
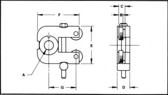
 Cross slide knurling tools are used on single-spindle screw machines, multi- spindle screw machines, turret lathes, and CNC lathes. This tool has a floating, self-centering design to compensate for any center misalignment, and can be mounted on either front or back tool posts in the same manner as circular form tools. Simple and easy to adjust, its design permits knurling close to the collet, and dual rollers provide support for the workpiece, eliminating the need for an auxiliary support tool.
Model OOSK OSK 2SK Ordering Number 8900 8925 8950 Dimensions Capacity 0 TO 1/2 0 TO 3/4 1/8 TO 1-1/4 A 3/8-16 1/2-13 5/8-11 B 3/16 1/4* 1/4* C 3/16 3/8 3/8 D 5/8 3/4 3/4 E 1-1/2 1-3/4 2-1/4 F 1-13/16 2-3/16 2-1/2 G 1-5/32 1-7/16 1-5/8 Knurl Diameter 1/2 5/8 3/4 Replacement Parts Lower Knurl Arm 8901 8926 8951 Upper Knurl Arm 8902 8927 8952 Bearing Stud 8903 8928 8953 Knurl Arm Spring 8908 8934 8956 Dog Pin 8907 8932 8932 Adjustment Screw 8905A 8930A 8954A Adjustment Screw Nut 8909 8933 8933 Plug 8911 8911 8911 Lock Screw 8912 8935 8935 Knurl Roller Pin (2 Reqd.) 8904 8929 8929 Pin Lock Screw (2 Reqd.) 8910 8910 8910 Straight Knurl (2 Reqd.) 7818 (35 TPI) 7868 (29 TPI) 7918 (25 TPI) Knurl Spacer (2 Reqd.) 8955 8955 Optional Parts Carbide Roller Pin 8904C 8929C 8929C *Standard with tool. Tool will accept 3/8" wide knurls.
BOYAR-SCHULTZ SMT
Division of Lester Detterbeck Enterprises Ltd.
Copyright © 2016 BOYAR-SCHULTZ SMT, a division of Lester Detterbeck Enterprises, LTD Website by North Country Website Design_

Knurling Tools - Model SK

Cross Slide

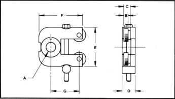
 Cross slide knurling tools are used on single-spindle screw machines, multi- spindle screw machines, turret lathes, and CNC lathes. This tool has a floating, self-centering design to compensate for any center misalignment, and can be mounted on either front or back tool posts in the same manner as circular form tools. Simple and easy to adjust, its design permits knurling close to the collet, and dual rollers provide support for the workpiece, eliminating the need for an auxiliary support tool.
Model OOSK OSK 2SK Ordering Number 8900 8925 8950 Dimensions Capacity 0 TO 1/2 0 TO 3/4 1/8 TO 1-1/4 A 3/8-16 1/2-13 5/8-11 B 3/16 1/4* 1/4* C 3/16 3/8 3/8 D 5/8 3/4 3/4 E 1-1/2 1-3/4 2-1/4 F 1-13/16 2-3/16 2-1/2 G 1-5/32 1-7/16 1-5/8 Knurl Diameter 1/2 5/8 3/4 Replacement Parts Lower Knurl Arm 8901 8926 8951 Upper Knurl Arm 8902 8927 8952 Bearing Stud 8903 8928 8953 Knurl Arm Spring 8908 8934 8956 Dog Pin 8907 8932 8932 Adjustment Screw 8905A 8930A 8954A Adjustment Screw Nut 8909 8933 8933 Plug 8911 8911 8911 Lock Screw 8912 8935 8935 Knurl Roller Pin (2 Reqd.) 8904 8929 8929 Pin Lock Screw (2 Reqd.) 8910 8910 8910 Straight Knurl (2 Reqd.) 7818 (35 TPI) 7868 (29 TPI) 7918 (25 TPI) Knurl Spacer (2 Reqd.) 8955 8955 Optional Parts Carbide Roller Pin 8904C 8929C 8929C *Standard with tool. Tool will accept 3/8" wide knurls.