BOYAR-SCHULTZ SMT
Division of Lester Detterbeck Enterprises Ltd.
Copyright © 2016 BOYAR-SCHULTZ SMT, a division of Lester Detterbeck Enterprises, LTD.  All Rights Reserved.

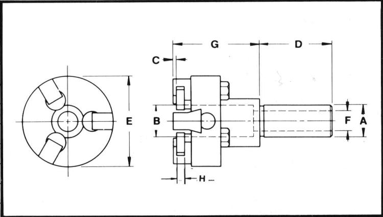
Roller Rests - Model 3RR

Roller rests are used in screw machines, turret lathes and CNC lathes to provide support for a workpiece undergoing a cross slide operation. Hardened, precision free- turning rollers eliminate galling and marring of the workpiece. With a third roller, you get more stability and less chatter. Rollers are individually adjustable to compensate for workpiece misalignment and wear. A third roller rest gives more stability to the work-piece when cutting long pieces.
Model OO-3RR O-3RR 2-3RR Ordering Number 112152 112153 1121154 Dimensions Diameter 1/16 to 9/32 3/32 to 19/32 1/8 to 15/16 Length 1-7/32 1-19/32 2-15/32 A 5/8 3/4 1 B 7/16 5/8 1 C 3/32 3/32 3/32 D 1-1/2 2-5/16 2-5/16 E 1-11/16 2-1/2 2-7/8 F 5/16 1/2 5/8 G 1-7/16 1-7/8 2-3/4 H 3/16 1/4 1/4 Roller Diameter 5/16 1/2 5/8 Replacement Parts Body 7401 7426 7451 Block Lock Screw (3 Required.) 7404 7429 7454 Block Lock Nut (3 Required.) 6232 6332 6332 Block Adjustment Screw (3 Required.) 7406 7431 7456 Lock Screw (3 Required.) 7407 5039 5039 Tightening Screw 7408 7408 6444 Roller Block Screw 7409 5039 5039 Parts for 3 Roller Rest Roller Block Screw 7402 7427 7452 Roller 112066 112068 112067 Roller Pin 5025 5125 5225 Roller Block Assembly** Roller Rest* 113340 113341 113342 Roller Pin Assembly** 113343 113344 113345 *3 Req'd. for each tool. **See Tooling Components for complete list of assembly parts.
BOYAR-SCHULTZ SMT
Division of Lester Detterbeck Enterprises Ltd.
Copyright © 2016 BOYAR-SCHULTZ SMT, a division of Lester Detterbeck Enterprises, LTD Website by North Country Website Design_

Roller Rests - Model 3RR

Roller rests are used in screw machines, turret lathes and CNC lathes to provide support for a workpiece undergoing a cross slide operation. Hardened, precision free-turning rollers eliminate galling and marring of the workpiece. With a third roller, you get more stability and less chatter. Rollers are individually adjustable to compensate for workpiece misalignment and wear. A third roller rest gives more stability to the work-piece when cutting long pieces.
Model OO-3RR O-3RR 2-3RR Ordering Number 112152 112153 1121154 Dimensions Diameter 1/16 to 9/32 3/32 to 19/32 1/8 to 15/16 Length 1-7/32 1-19/32 2-15/32 A 5/8 3/4 1 B 7/16 5/8 1 C 3/32 3/32 3/32 D 1-1/2 2-5/16 2-5/16 E 1-11/16 2-1/2 2-7/8 F 5/16 1/2 5/8 G 1-7/16 1-7/8 2-3/4 H 3/16 1/4 1/4 Roller Diameter 5/16 1/2 5/8 Replacement Parts Body 7401 7426 7451 Block Lock Screw (3 Required.) 7404 7429 7454 Block Lock Nut (3 Required.) 6232 6332 6332 Block Adjustment Screw (3 Required.) 7406 7431 7456 Lock Screw (3 Required.) 7407 5039 5039 Tightening Screw 7408 7408 6444 Roller Block Screw 7409 5039 5039 Parts for 3 Roller Rest Roller Block Screw 7402 7427 7452 Roller 112066 112068 112067 Roller Pin 5025 5125 5225 Roller Block Assembly** Roller Rest* 113340 113341 113342 Roller Pin Assembly** 113343 113344 113345 *3 Req'd. for each tool. **See Tooling Components for complete list of assembly parts.