BOYAR-SCHULTZ SMT
Division of Lester Detterbeck Enterprises Ltd.
Copyright © 2016 BOYAR-SCHULTZ SMT, a division of Lester Detterbeck Enterprises, LTD.  All Rights Reserved.

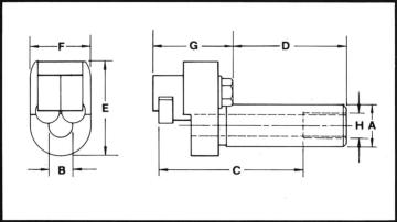
Roller Rests - Model RR

2 Roller

Roller rests are used in screw machines and turret lathes to provide support for a

workpiece undergoing a cross slide operation. Hardened, precision free-turning rollers

eliminate galling and marring of the workpiece. Rollers are individually adjustable to compensate for

workpiece misalignment and wear. The end of the shank is tapped to accept a stop screw to permit

adjustment without disturbing tool set-up.

Model OORR ORR Ordering Number 5500 5525 Dimensions Support Capacity 3/32 to 1/2 1/4 to 5/8 A 5/8 3/4 B 5/16 3/8 C 1-15/16 2-1/16 D 1-1/2 1-7/16 E 1-1/2 1-11/16 F 1 1-1/16 G 1-3/16 1-1/2 H 3/8-24 7/16-20 Replacement Parts Body 5501A 5526 Roller Block Assy., Right** 5506 5531 Roller Block Assy., Left** 5507 5532 Roller Block Nut (2 Reqd.) 7869 6232 Roller Block Washer (2 Reqd.) 5511 5743 Bushing Lock Screw 6234 6344 Roller & Pin Assy.* 105197 105198 *Included in Roller Block Assy. See Tooling Components         for complete list of parts. **Roller Block Assy. consists of Roller Block, Roller,         Roller Pin and Lock Screw.
BOYAR-SCHULTZ SMT
Division of Lester Detterbeck Enterprises Ltd.
Copyright © 2016 BOYAR-SCHULTZ SMT, a division of Lester Detterbeck Enterprises, LTD Website by North Country Website Design_

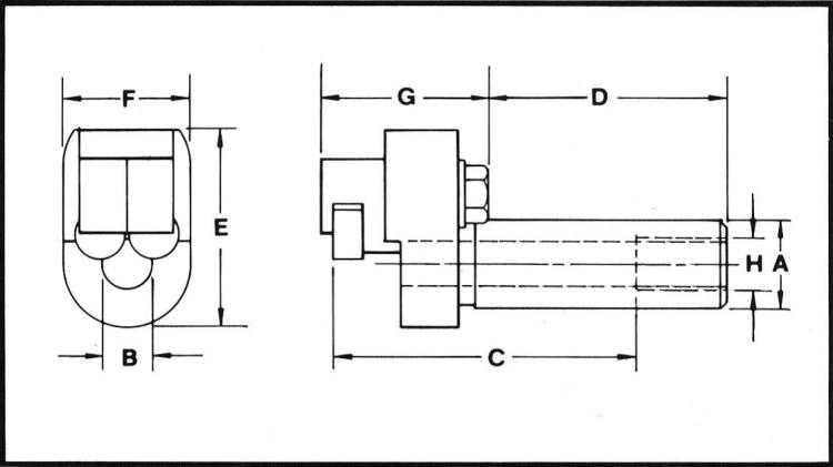
Roller Rests - Model RR

2 Roller

Roller rests are used in screw machines

and turret lathes to provide support

for a workpiece undergoing a cross

slide operation. Hardened, precision

free-turning rollers eliminate galling and marring of the

workpiece. Rollers are individually adjustable to compensate

for workpiece misalignment and wear. The end of the shank is

tapped to accept a stop screw to permit adjustment without

disturbing tool set-up.

Model OORR ORR Ordering Number 5500 5525 Dimensions Support Capacity 3/32 to 1/2 1/4 to 5/8 A 5/8 3/4 B 5/16 3/8 C 1-15/16 2-1/16 D 1-1/2 1-7/16 E 1-1/2 1-11/16 F 1 1-1/16 G 1-3/16 1-1/2 H 3/8-24 7/16-20 Replacement Parts Body 5501A 5526 Roller Block Assy., Right** 5506 5531 Roller Block Assy., Left** 5507 5532 Roller Block Nut (2 Reqd.) 7869 6232 Roller Block Washer (2 Reqd.) 5511 5743 Bushing Lock Screw 6234 6344 Roller & Pin Assy.* 105197 105198 *Included in Roller Block Assy. See Tooling Components         for complete list of parts. **Roller Block Assy. consists of Roller Block, Roller,         Roller Pin and Lock Screw.