BOYAR-SCHULTZ SMT
Division of Lester Detterbeck Enterprises Ltd.
Copyright © 2016 BOYAR-SCHULTZ SMT, a division of Lester Detterbeck Enterprises, LTD.  All Rights Reserved.

Single Function Tools / Accessories - Model AP

Adjustable Pointing Tool

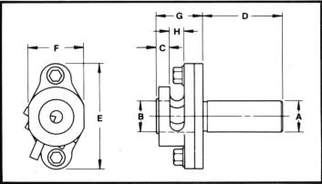
Adjustable pointing tools are used to point, form or face the end of a workpiece.  The

blank bushing furnished can be machined to size for proper support of the workpiece.  The

shank mounts in the turret of a screw machine, turret lathe, or in the

turret of a screw machine, turret lathe, or CNC lathe.  The tool is adjustable to accurately

compensate for misalignment between turret and spindle.  This universal tool can be used

for right-or-left-hand operation simply by reversing the tool bit.

These features make it a superior too: Universal, because same tool can be used for right-or-left-hand jobs.  Four easily accessible set screws bring in tool bit from right to left. Adjustable to compensate for misalignment between turret and spindle. Special rectangular FLAT tool can be ground with four shapes which can be sharpened by taking a cut off the flat side, like a flat form tool. Easy adjustment brings tool back to center after sharpening. Also used for turning diameters smaller than can be turned with box tools.
Model OOAP OAP 2AP Ordering Number 6500 6525 6550 Dimensions A 5/8 3/4 1 B 1/2 3/4 1 C 5/16 7/16 7/16 D 1-7/16 2 2-1/2 E 1-15/16 2-5/8 3-1/4 F 1 1-1/4 1-3/4 G 1 1-3/8 1-1/2 H 5/16 3/8 7/16 Tool Bit Size .12x7/8x.5 .19x1-1/4x.62 .24x1-1/2x.75 Replacement Parts Tool Head 6501 6526 6551 Body 6502A 6527 6552 Guide bushing 6503 6528 6553 Lock Screw (2 Reqd.) 5804 5829 5854 Tool Bit 6504 6529 6554 Short Adjustment Screw (2 Reqd.) 6506 6531 6530 Long Adjustment Screw (2 Reqd) 6505 6530 6555 Bushing Lock Screw 6507 6506 6531
BOYAR-SCHULTZ SMT
Division of Lester Detterbeck Enterprises Ltd.
Copyright © 2016 BOYAR-SCHULTZ SMT, a division of Lester Detterbeck Enterprises, LTD Website by North Country Website Design_

Single Function Tools / Accessories -

Model AP

Adjustable Pointing Tool

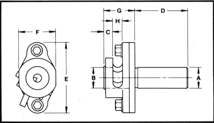
Adjustable pointing tools are used

to point, form or face the end of a

workpiece.  The blank bushing furnished

can be machined to size for proper support of the workpiece. 

The shank mounts in the turret of a screw machine, turret

lathe, or in the

turret of a screw machine, turret lathe, or CNC lathe.  The tool

is adjustable to accurately compensate for misalignment

between turret and spindle.  This universal tool can be used

for right-or-left-hand operation simply by reversing the tool

bit.

These features make it a superior too: Universal, because same tool can be used for right-or- left-hand jobs.  Four easily accessible set screws bring in tool bit from right to left. Adjustable to compensate for misalignment between turret and spindle. Special rectangular FLAT tool can be ground with four shapes which can be sharpened by taking a cut off the flat side, like a flat form tool. Easy adjustment brings tool back to center after sharpening. Also used for turning diameters smaller than can be turned with box tools.
Model OOAP OAP 2AP Ordering Number 6500 6525 6550 Dimensions A 5/8 3/4 1 B 1/2 3/4 1 C 5/16 7/16 7/16 D 1-7/16 2 2-1/2 E 1-15/16 2-5/8 3-1/4 F 1 1-1/4 1-3/4 G 1 1-3/8 1-1/2 H 5/16 3/8 7/16 Tool Bit Size .12x7/8x.5 .19x1-1/4x.62 .24x1-1/2x.75 Replacement Parts Tool Head 6501 6526 6551 Body 6502A 6527 6552 Guide bushing 6503 6528 6553 Lock Screw (2 Reqd.) 5804 5829 5854 Tool Bit 6504 6529 6554 Short Adjustment Screw (2 Reqd.) 6506 6531 6530 Long Adjustment Screw (2 Reqd) 6505 6530 6555 Bushing Lock Screw 6507 6506 6531