BOYAR-SCHULTZ SMT
Division of Lester Detterbeck Enterprises Ltd.
Copyright © 2016 BOYAR-SCHULTZ SMT, a division of Lester Detterbeck Enterprises, LTD.  All Rights Reserved.

Single Function Tools / Accessories - Model BT

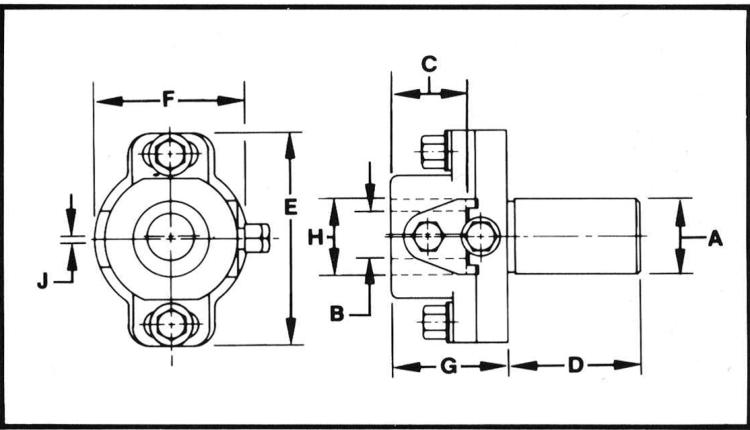
Adjustable Boring Tool Holder

The BT Adjustable boring tool is used in screw machines, turret lathes, and

CNC lathes for fast set up when boring from the turret.  A reversible eccentric

bushing, furnished with tool, permits either right or left hand boring. The micrometer

adjusting screw graduated in .001" is used for close tolerances. Mating surfaces, bores and

shanks are precision ground to assure parallelism and squareness.

Model OOBT OBT 2BT Ordering Number 7040 7060 7080 Dimensions A 5/8 3/4 1 B 5/16 1/2 5/8 C 5/8 13/16 1 D 1-1/8 1-1/2 1-3/4 E 1-15/16 2-3/16 2-13/16 F 1-7/16 1-7/16 2 G 1-1/16 1-1/4 1-1/2 H 1/2 5/8 1 J .010" .015" .020" Travel 1/8 3/16 1/4 Replacement Parts Body 7041 7061 7081 Head 7042 7062 7082 Eccentric Bushing 7043 7063 7083 Adjustment Screw 7044 7044 7084 Tool Lock Screw 7045 7064 7085 Lock Screw (2 Reqd.) 7046 7046 7086 Lock Screw Washer (2 Reqd.) 7047 7047 7820 Spring Washer (2 Reqd.) 7048 7048 7087
BOYAR-SCHULTZ SMT
Division of Lester Detterbeck Enterprises Ltd.
Copyright © 2016 BOYAR-SCHULTZ SMT, a division of Lester Detterbeck Enterprises, LTD Website by North Country Website Design_

Single Function Tools / Accessories -

Model BT

Adjustable Boring Tool Holder

The BT Adjustable boring tool is

used in screw machines, turret

lathes, and CNC lathes for fast set up

when boring from the turret.  A reversible eccentric

bushing, furnished with tool, permits either right or left hand

boring. The micrometer adjusting screw graduated in .001" is

used for close tolerances. Mating surfaces, bores and shanks

are precision ground to assure parallelism and squareness.

Model OOBT OBT 2BT Ordering Number 7040 7060 7080 Dimensions A 5/8 3/4 1 B 5/16 1/2 5/8 C 5/8 13/16 1 D 1-1/8 1-1/2 1-3/4 E 1-15/16 2-3/16 2-13/16 F 1-7/16 1-7/16 2 G 1-1/16 1-1/4 1-1/2 H 1/2 5/8 1 J .010" .015" .020" Travel 1/8 3/16 1/4 Replacement Parts Body 7041 7061 7081 Head 7042 7062 7082 Eccentric Bushing 7043 7063 7083 Adjustment Screw 7044 7044 7084 Tool Lock Screw 7045 7064 7085 Lock Screw (2 Reqd.) 7046 7046 7086 Lock Screw Washer (2 Reqd.) 7047 7047 7820 Spring Washer (2 Reqd.) 7048 7048 7087