BOYAR-SCHULTZ SMT
Division of Lester Detterbeck Enterprises Ltd.
Copyright © 2016 BOYAR-SCHULTZ SMT, a division of Lester Detterbeck Enterprises, LTD.  All Rights Reserved.

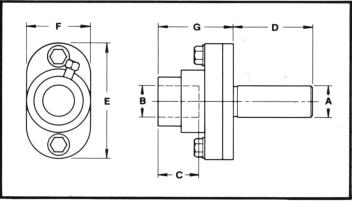
Tap Holders - Model AT

Adjustable non-releasing tap holders are used in reversing spindle automatic screw machines and CNC lathes. The tap is mounted in the tool holder directly or in an appropriately sized bushing; the holder assembly is adjustable to accurately align the tap with the workpiece. The non-rotating tool holder is free to move axially, permitting the tap to lead itself after being started in the workpiece. Automatic spindle reversal withdraws the tap from the hole and a spring draws the tool holder back into the head when the tap clears the workpiece.
Model OOAT OAT 2AT Ordering Number 5800 5825 5850 Dimensions A 5/8 3/4 1 B 1/2 5/8 1 C 5/8 7/8 1-1/16 D 1-1/8 1-1/2 2 E 1-15/16 2-5/8 3-1/4 F 1 1-1/4 1-3/4 G 1 1-7/16 1-1/2 Replacement Parts Tool Head 5801 5826 5851 Body 5803A 5828 5853 Tool Holder 5802A 5827A 5852A Tool Lock Screw 5810 5835 7727 Lock Screw (2 Reqd.) 5804 5829 5854 Driver Pin (2 Reqd.) 5809 5834 5859 Tool Holder Shank 5812 5837 5862 Return Spring 5805 5830 5855 Spring Collar 5807 5832 5857 Collar Lock Pin 5808 5833 5858 Pull Out 0.2 1/4 5/16
BOYAR-SCHULTZ SMT
Division of Lester Detterbeck Enterprises Ltd.
Copyright © 2016 BOYAR-SCHULTZ SMT, a division of Lester Detterbeck Enterprises, LTD Website by North Country Website Design_

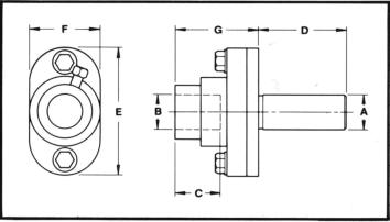
Tap Holders - Model AT

Adjustable non-releasing tap holders are used in reversing spindle automatic screw machines and CNC lathes. The tap is mounted in the tool holder directly or in an appropriately sized bushing; the holder assembly is adjustable to accurately align the tap with the workpiece. The non- rotating tool holder is free to move axially, permitting the tap to lead itself after being started in the workpiece. Automatic spindle reversal withdraws the tap from the hole and a spring draws the tool holder back into the head when the tap clears the workpiece.
Model OOAT OAT 2AT Ordering Number 5800 5825 5850 Dimensions A 5/8 3/4 1 B 1/2 5/8 1 C 5/8 7/8 1-1/16 D 1-1/8 1-1/2 2 E 1-15/16 2-5/8 3-1/4 F 1 1-1/4 1-3/4 G 1 1-7/16 1-1/2 Replacement Parts Tool Head 5801 5826 5851 Body 5803A 5828 5853 Tool Holder 5802A 5827A 5852A Tool Lock Screw 5810 5835 7727 Lock Screw (2 Reqd.) 5804 5829 5854 Driver Pin (2 Reqd.) 5809 5834 5859 Tool Holder Shank 5812 5837 5862 Return Spring 5805 5830 5855 Spring Collar 5807 5832 5857 Collar Lock Pin 5808 5833 5858 Pull Out 0.2 1/4 5/16